Call: +86-18906823975
Mail: fonda@zhihe-tech.com
Site: No.333 Changhong Middle Street, Fuxi District,Deqing County, Zhejiang Prov., China

Feature
v Adopting high-precision resistance strain principle
v With unique technology, stable for property
v Glue seal, insurance for using surrounding
v Preventing of oil, moisture and corrosion
v Class of protection:IP67
Specification
|
Capacity(kg) |
5,10,25,50,100
|
Material |
Elastic element: steel, housing: aluminum
|
|
Rated Output(mV/V) |
1.00±0.1 |
Non-linearity |
±0.3%FS |
|
Hysteresis |
±0.3%FS |
Repeatability |
±0.1%FS |
|
Creep(30 minutes) |
±0.3%FS |
Zero balance |
±1.00%FS |
|
Temperature effect on zero |
±0.2%F.S./10℃ |
Temperature effect on output |
±0.2%F.S./10℃ |
|
Input resistance(Ω) |
350±5 |
Output resistance(Ω) |
350±5
|
|
Insulation resistance |
≥5000MΩ |
Excitation voltage |
5V-10V(DC) |
|
Compensated temperature range |
-10~+50℃ |
Operating temperature range |
-15~+65℃ |
|
Safe overload |
150%FS |
Breaking loading |
5 times the rated capacity
|
|
Cable |
Φ5 X 3M Or customized by request |
|
Input: red+ black- Output: green+ white- |
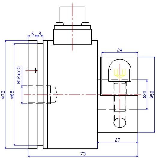
Plan


Application
Mainly Used in textile machinery, printing and packaging, paper plastics, wire and cable, and to meet a variety of industry tension measurement needs.